秘蔵のコレクションが並ぶ格納庫
- 10台以上収納の大型ガレージ(車種による)
- 敷地面積446.00㎡/建物面積238.72㎡
- 国道254号沿いの機動力ある立地
| 価格 (税込) |
6,480万円 |
|---|---|
| 所在地 |
埼玉県川越市御成町
|
お申込み・内見のご依頼はお問い合わせフォームよりお願いいたします。希望日時や入居希望時期の項目をご入力いただけるとスムーズにご案内できます。
埼玉県川越市御成町、国道254号上り車線沿いに立地する中古ガレージ。446.00㎡を誇る台形型敷地にL字型の軽量鉄骨造ガレージ建つ物件で、車種や駐車方法によっては10台以上を収容できるキャパがあります。
28.5mを国道に面した土地で柵と柵の出入口は幅15.0m、車道・歩道とのギャップもなく低車高車も安心して出入りできます。ガレージ前の空地も十分なゆとりがあるので“手前の車を出して奥を出庫する”“積載車で乗り入れる”というシチュエーションでもストレスはありません。
車趣味を突き詰めていくと、月極駐車場や貸しガレージでは管理しきれない台数になってしまったり、サーキットマシンやナンバーを切った車両も保管したいというニーズが出てくるもの。カーライフの次のステージとして、プレイベート格納庫を持つという選択はいかがでしょうか。
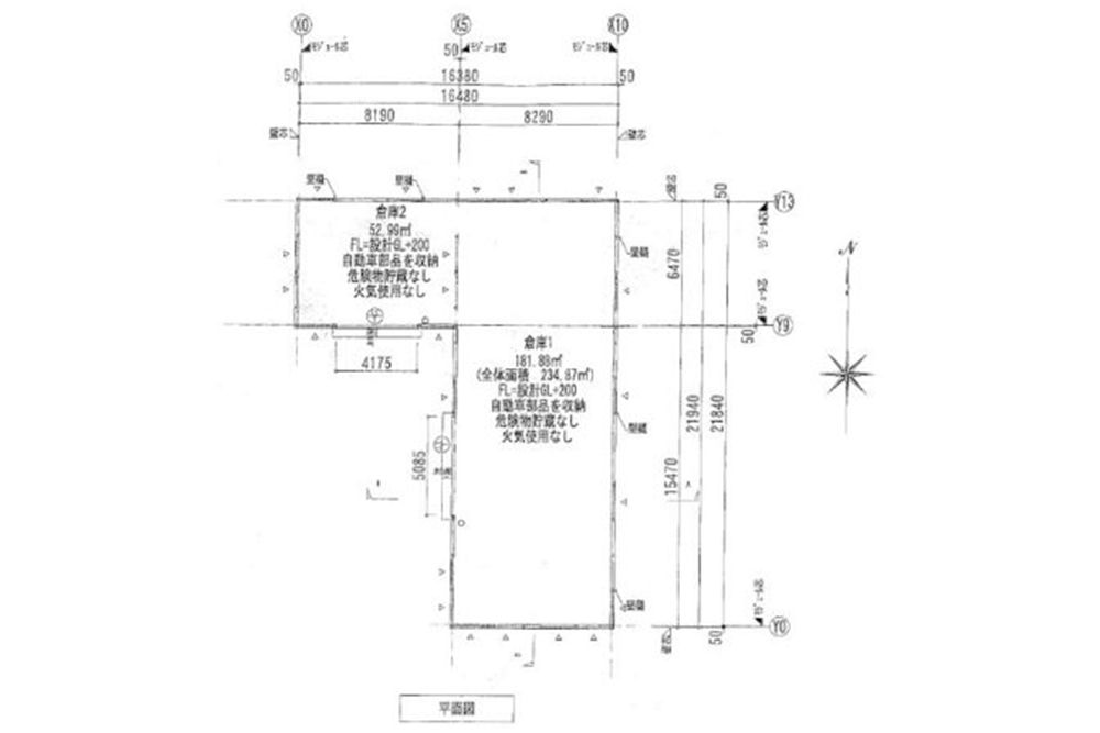
ガレージ寸法はそれぞれ次の通りです。シャッターは左右分割敷きで、中柱を外した状態の寸法となります。
東側(大区画):横幅約21m×奥行約8m/シャッター開口幅5.08m×高さ2.50m
西側(小区画):横幅約8m×奥行約6m/シャッター開口幅4.17m×高さ2.50m
現状、水道引き込みはされていませんが別途工事で引き込み可能です。事務所等で使用される場合にはトイレ等の水回りが無いのでご留意ください。

















アクセス&立地
鉄道駅はJR埼京線・東武東上線_川越駅まで4.0km。
前面道路は国道254号、国道16号まで2.3km。高速道路は関越自動車道_川越ICまで5.8km、圏央道_川島ICまで6.8kmです。
お申込み・内見のご依頼はお問い合わせフォームよりお願いいたします。希望日時や入居希望時期の項目をご入力いただけるとスムーズにご案内できます。
詳細情報
| 価格 (税込) |
6,480万円 |
|---|---|
| 仲介手数料 | 売買価格の3.3%+66,000円(税込) |
| 所在地 | 埼玉県川越市御成町 |
| 間取り | - |
| 土地面積 | 446.00㎡ |
| 建物面積 | 238.72㎡ |
| 建ぺい率・容積率 | 60%・200% |
| 築年月 | 2017年12月(築8年) |
| 土地の権利形態 | 所有権 |
| 構造 | 軽量鉄骨造1階建 |
| 施工 | |
| 都市計画 | 市街化区域 |
| 用途地域 | 準工業 |
| 備考 |
| 駐車台数 | 10台(車種による) |
|---|---|
| 車庫サイズ | 東側(大区画):横幅約21m×奥行約8m 西側(小区画):横幅約8m×奥行約6m |
| 開口 | 東側(大区画):横幅5.08m×高さ2.50m 西側(小区画):横幅4.17m×高さ2.50m |
| 天井高 | - |
| シャッター | |
| 設備 | |
| 備考 |
| 車 | 前面道路:国道254号 国道16号:2.3km 関越自動車道_川越IC 5.8km/圏央道_川島IC 6.8km |
|---|---|
| 鉄道 | JR埼京線・東武東上線_川越駅 4.0km |
| バス | - |
| 物件名 | 川越市御成町の中古ガレージ |
|---|---|
| 物件コード | SS19 |
| 情報更新日 | 2025/12/26 |
| 更新予定日 | 2026/01/09 |
| 入居時期 | |
| 条件 | |
| 取引態様 | 媒介 |
| その他 |
お申込み・内見のご依頼はお問い合わせフォームよりお願いいたします。希望日時や入居希望時期の項目をご入力いただけるとスムーズにご案内できます。